歡迎來深圳晨木實業有限公司官網!
產品分類
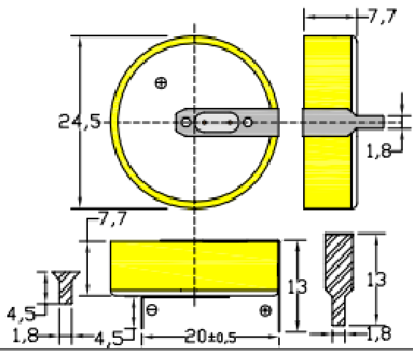
首頁 ->產品中心 ->焊腳電池系列焊腳電池系列

      CR2477/1HF

      型號:CR2477/1HF

      品牌:

      電壓(V):

      容量(mAh):

      尺寸(mm):

      材質:

      適配產品:

      工作溫度范圍:

產品介紹

焊腳電池的PIN腳均為鍍鎳不銹鋼材料。不銹鋼本身是不能夠沾錫的,鍍鎳的作用就是為了用錫把電池PIN腳焊在線路板上。而由于鍍鎳是采用滾鍍的工藝,因為電池焊片在電鍍時會造成重疊,所以偶爾會造成一定比例的電池焊片無法完全被電鍍,也會造成焊片在電鍍的過程中出現彎折的現象。以下為此兩種工藝的對比。

           鍍鎳焊片(PIN腳)       局部鍍錫焊片(PIN腳)
         焊片鍍鎳.jpg       焊片鍍錫.jpg
           滾鍍鍍鎳             局部鍍錫
  有一定比例焊片無法進行焊錫操作可以確保所有的焊片100%易于焊接

焊接時間較長,需要嚴格的時間控制,不規范操作可能會造成電池傷害


 焊接時間較短,極易進行焊接

  有一定比例的焊片在滾鎳的過程中,

  容易變形,彎折

焊片不用經過滾鍍,所以不會產生變形,彎折


image.png

上一個:CR2477/1VC
下一個:CR2477/1F2
版權所有 深圳市晨木實業有限公司版權所有  粵ICP備2020077041號